地址:北京市海淀区中关村软件园11号楼

电话:15301310116(微信同号)

邮箱:sales@madison-tech.com


麦迪森科技(深圳)有限公司

手机:18511156972

地址:广东省深圳市龙岗区甘李六路12号中海信13栋A座3层西侧



快速通道

产品分类

新闻分类

Allectra大功率真空馈通 真空连接器价格
* 来源 : allectra * 作者 : allectra * 发表时间 : 2021-08-18 * 浏览 : 255
上一篇文章提到了低压功率真空馈通(电压可到1KV)。今天我们介绍几种不同电压、不同电流的大功率真空馈通。本站Allectra产品型号齐全,如未找到您所需要的产品,请联系我们15301310116(微信同号)

一、5KV功率真空馈通、真空连接器

特点:

  • 导体材料可选不锈钢、镍或铜

  • 导体直径1.3mm

  • 提供单芯可焊接版

  • 4芯可兼容CF16/KF16法兰

5KV功率真空馈通的基本技术指标

图1:5KV功率真空馈通的基本技术指标
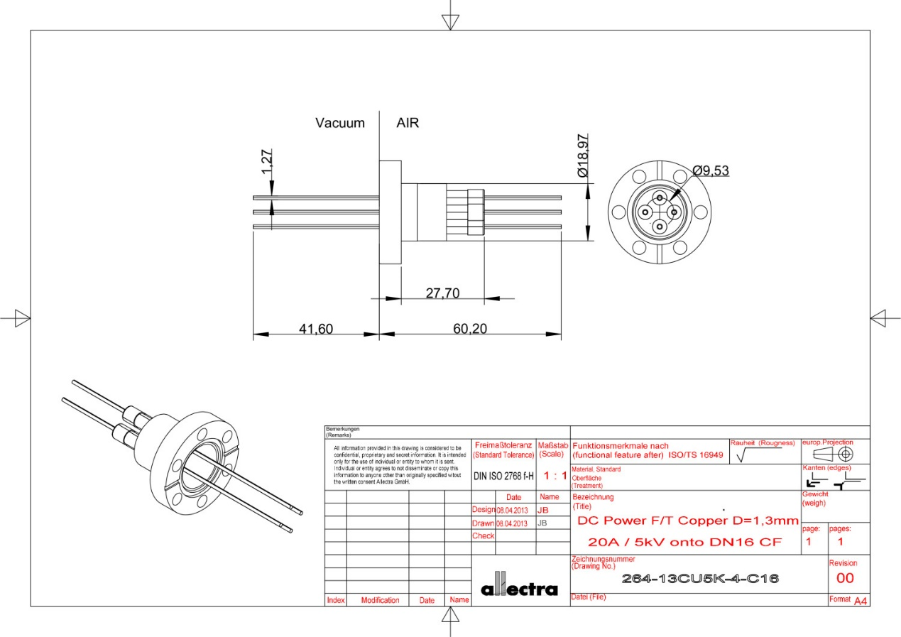
4芯5KV-20A功率真空馈通
图2:4芯5KV-20A功率真空馈通(CF16法兰)

二、5KV/10KV-30A功率真空馈通、真空连接器

特点:

  • 导体材料可选不锈钢、镍或铜

  • 12芯可兼容CF40/KF40法兰

  • 可定制法兰和功率馈通的排布

 

5KV-30A功率真空馈通的基本技术指标

图3:5KV-30A功率真空馈通的基本技术指标
10KV-30A功率真空馈通的基本技术指标
图4:10KV-30A功率真空馈通的基本技术指标
12芯5KV-50A功率真空馈通
图5:12芯5KV-50A功率真空馈通(CF40法兰)

以上就是北京麦迪森科技有限公司提供的Allectra大功率真空馈通 真空连接器产品介绍,如果想要了解真空连接器价格的请联系15301310116


北京麦迪森科技有限公司联系方式


 

 


阿佩佐Apiezon  L超高真空润滑脂    阿佩佐Apiezon  M超高真空润滑脂    阿佩佐Apiezon N低温真空润滑脂    阿佩佐Apiezon H高温真空润滑脂   阿佩佐Apiezon PFPE501超高真空润滑脂

  Apiezon L超高真空润滑脂                 Apiezon M真空润滑脂                    Apiezon N低温真空脂                   Apiezon H高温真空润滑脂            Apiezon PFPE501高温真空润滑脂

Sub-D真空馈通    Sub-D组合功率型真空馈通      BNC同轴型真空馈通               

         Sub-D真空馈通                       Sub-D组合功率型真空馈通                 BNC同轴型真空馈通                           N型热电偶Sub-D馈通                            三同轴真空馈通

超声清洗机降噪箱                真空泵降噪箱               MT160-PCRC                  MT160-PISC             真空腔体定制Ⅱ型

    降噪箱I型(可定制版)                            真空泵降噪箱II型                               超高真空连接头                                      超高真空连接器                               真空腔体定制Ⅱ型