
快速通道产品搜索 |
Allectra高真空光纤真空馈通
* 来源 : Allectra * 作者 : Allectra * 发表时间 : 2021-11-09 * 浏览 : 590
本站Allectra产品型号齐全,如未找到您所需要的产品,请联系我们15301310116(微信同号) 随着科学发展,光纤在真空环境中的应用越来越广泛。通常需要通过光纤把信号从真空中传输出来,或者把“光”引入到真空腔体中。而在真空和大气环境的连接处,需要通过光纤真空馈通来实现和维持真空腔体内外的真空差,同时保证信号的传输。 这里常用到的光纤主要有三类: 上述渐变型光纤和单模光纤的外径为125微米。 高真空(HV)光纤耦合真空馈通 光纤耦合真空馈通简单实用,一个馈通即可把信号导入/导出真空腔体。馈通两端采用F-SMA接头,O圈密封(Buna-N O Ring / Viton O-Ring),真空度可达10-8mbar。芯径可选200/400/600μm,法兰可选KF、CF或定制法兰。
图1:高真空光纤耦合真空馈通的技术参数
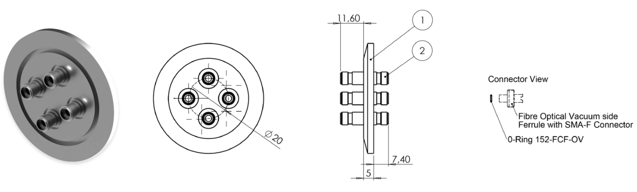
图2:高真空光纤耦合真空馈通(DN40KF法兰/O圈密封/4芯)
图3:高真空光纤耦合真空馈通(DN40CF法兰/O圈密封/单芯)
图4:真空内光纤的基本技术参数
图5:真空内光纤选型
图6:真空内光纤实物图(F-SMA接头/不锈钢屏蔽层) 以上就是北京麦迪森科技有限公司提供的Allectra高真空光纤真空馈通产品介绍。
上一条: Allectra超高真空光纤真空馈通
下一条: Allectra三同轴真空馈通
|
|
|