
快速通道产品搜索 |
真空技术知识
* 来源 : 真空泵 * 作者 : 真空泵 * 发表时间 : 2021-04-21 * 浏览 : 139
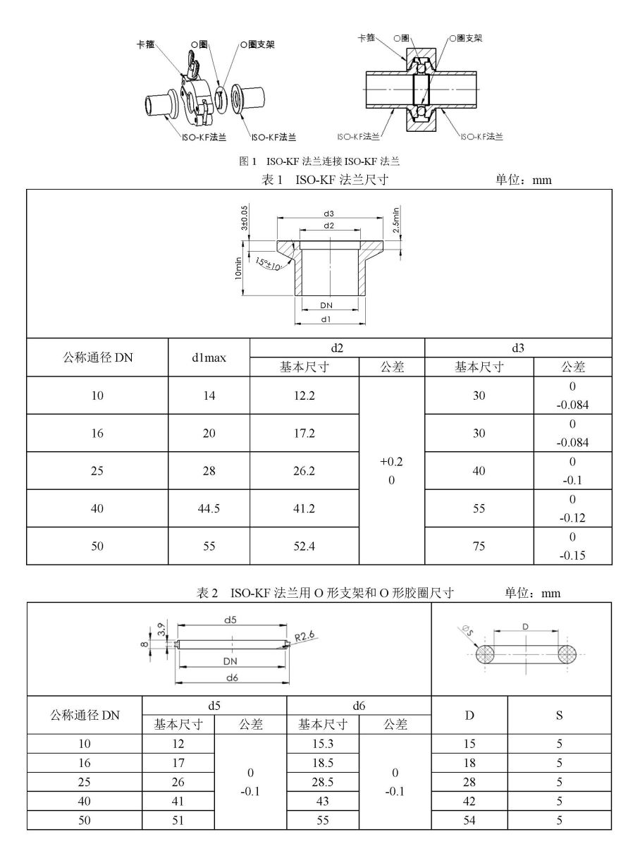
本站提供Edwards爱德华真空泵,真空计,真空泵油,真空泵维修业务,如未找到您所需要的产品,请联系我们15301310116(微信同号) 真空技术知识总结,关于真空法兰,O圈支架,卡箍等连接件的介绍,希望可以帮助到你。 一、法兰
上一条: Edwards爱德华nEXT55/1230涡轮分子泵新成员来了
下一条: 真空专业词汇知识
|
|
|