地址:北京市海淀区中关村软件园11号楼

电话:15301310116(微信同号)

邮箱:sales@madison-tech.com


麦迪森科技(深圳)有限公司

手机:18511156972

地址:广东省深圳市龙岗区甘李六路12号中海信13栋A座3层西侧



快速通道

产品分类

自主产品

9C型真空馈通母头连接器/接头

9C真空端母头连接器适配9C馈通,对应插针直径1.0mm,导线直径范围0.25~1.0mm,引脚材料镀金铜合金,PEEK外壳材质,适用温度范围-50~230℃,极限真空优于1E-10mbar。真空端公头连接器可与母头连接器配合使用构成中继器,以延长真空线缆长度。同时可提供大气端母头连接器及插针套装。

产品参数

规格参数

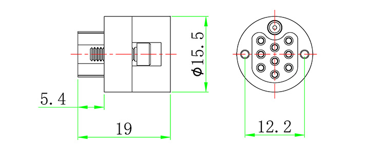
对应插针直径 Ø

1.0 mm

导线直径 Ø

0.25 mm~1.0 mm

引脚材料

镀金铜合金

材质

PEEK

温度范围

-50℃~230℃

极限真空

<1×10-10 mbar

产品尺寸

9C型真空馈通母头连接器
9C连接器型号
连接器类型连接器型号插针型号束线器型号【套装】插针+连接器型号【套装】插针+连接器+束线器型号
真空端母头连接器MT102-9CFS-PKMT104-DBPF-10MT102-9C-VAC-SRMT-9CFS-PK-SETMT-9CFS-PK-SR
真空端公头连接器MT102-9CMS-PKMT104-DBPM-10MT102-9C-VAC-SRMT-9CMS-PK-SETMT-9CMS-PK-SR
大气端母头连接器/MT104-DBPF-10MT102-9C-AIR-SRMT-9CFS-AIR-SETMT-9C7FS-AIR-SR
大气端公头连接器/MT104-DBPM-10MT102-9C-AIR-SRMT-9CMS-AIR-SETMT-9CMS-AIR-SR
备注:
1. 连接器不能单独使用。需要选用套装。
2. 母头连接器用于与馈通连接。
3. 公头连接器可与母头连接器配合使用构成中继器,实现延长线缆长度的作用。

阿佩佐Apiezon  L超高真空润滑脂    阿佩佐Apiezon  M超高真空润滑脂    阿佩佐Apiezon N低温真空润滑脂    阿佩佐Apiezon H高温真空润滑脂   阿佩佐Apiezon PFPE501超高真空润滑脂

  Apiezon L超高真空润滑脂                 Apiezon M真空润滑脂                    Apiezon N低温真空脂                   Apiezon H高温真空润滑脂            Apiezon PFPE501高温真空润滑脂

Sub-D真空馈通    Sub-D组合功率型真空馈通      BNC同轴型真空馈通               

         Sub-D真空馈通                       Sub-D组合功率型真空馈通                 BNC同轴型真空馈通                           N型热电偶Sub-D馈通                            三同轴真空馈通

超声清洗机降噪箱                真空泵降噪箱               MT160-PCRC                  MT160-PISC             真空腔体定制Ⅱ型

    降噪箱I型(可定制版)                            真空泵降噪箱II型                               超高真空连接头                                      超高真空连接器                               真空腔体定制Ⅱ型