SHV10同轴馈通连接器及线缆大致可分为真空端和大气端两部分。馈通真空端可使用特殊的SHV10连接器。馈通真空端可选用具有50Ω阻抗匹配的同轴线缆,用以提高信号传输质量。所有线缆长度均可定制,更多其他线缆信息可咨询获取。
产品参数
规格参数 |
外壳材质 | 单端SHV10接地线型真空 端连接器:不锈钢 |
绝缘材质 | 单端SHV10接地线型真空端连接器:PEEK |
触点材质 | 单端SHV10接地线型真空 端连接器:镀金铜合金 |
推荐真空线缆 | MT165-PTFE50同轴线 MT165-KAP50同轴线 MT165-KAPM系列
|
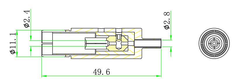
产品尺寸

【备注】实际尺寸可能会根据馈通进行一定修改。
SHV10连接器型号 |
类型 | 型号 |
SHV10真空端连接器 | MT145-CON-SSHV10-VAC |
SHVE10真空端连接器 | MT145-CON-SSHVE10-VAC |
SHV10系列大气端连接器 | MT145-CON-SHV10-AIR |
SHV10真空端连接器+线缆型号 |
线缆两端连接器数量 | 长度 | SHV10真空端连接器+线缆型号 | SHVE10真空端连接器+线缆型号 |
1 | 500 mm | MT145-SSHV10-FX-PTFE50-500-VAC | MT145-SSHVE10-FX-PTFE50-500-VAC |
1 | 1000 mm | MT145-SSHV10-FX-PTFE50-1000-VAC | MT145-SSHVE10-FX-PTFE50-1000-VAC |
2 | 500 mm | MT145-SSHV10-FF-PTFE50-500-VAC | MT145-SSHVE10-FF-PTFE50-500-VAC |
2 | 1000 mm | MT145-SSHV10-FF-PTFE50-1000-VAC | MT145-SSHVE10-FF-PTFE50-1000-VAC |
SHV10真空端连接器+MT165-KAP50同轴线缆型号 |
线缆两端连接器数量 | 长度 | SHV10真空端连接器+线缆型号 | SHVE10真空端连接器+线缆型号 |
1 | 500 mm | MT145-SSHV10-FX-KAP50-500-VAC | MT145-SSHVE10-FX-KAP50-500-VAC |
1 | 1000 mm | MT145-SSHV10-FX-KAP50-1000-VAC | MT145-SSHVE10-FX-KAP50-1000-VAC |
2 | 500 mm | MT145-SSHV10-FF-KAP50-500-VAC | MT145-SSHVE10-FF-KAP50-500-VAC |
2 | 1000 mm | MT145-SSHV10-FF-KAP50-1000-VAC | MT145-SSHVE10-FF-KAP50-1000-VAC |
SHV10大气端连接器+线缆型号 |
线缆两端连接器数量 | 长度 | 大气端连接器+线缆型号 |
1 | 500 mm | MT145-SHV10-FX-500-AIR |
1 | 1000 mm | MT145-SHV10-FX-1000-AIR |
2 | 500 mm | MT145-SHV10-FF-500-AIR |
2 | 1000 mm | MT145-SHV10-FF-1000-AIR |
【备注】线缆长度均可定制。