SHV同轴馈通连接器及线缆大致可分为真空端和大气端两部分。其中不同型号的单端馈通(即SHV/SHVE/SHV50)对应的真空端连接器及真空线缆有所不同,且真空端可以使用特殊的SHV连接器。SHVD双端馈通的真空端连接器与大气端连接器外形相同。馈通真空端线缆可选具有50Ω阻抗匹配,用以提高信号传输质量。所有线缆长度均可定制。
产品参数
规格参数 |
外壳材质 | 单端SHV接地线型真空端连接器:不锈钢 |
绝缘材质 | 双端SHVD真空端连接器:PTFE / Viton 单端SHV接地线型真空端连接器:PEEK |
触点材质 | 单端SHV接地线型真空端连接器:镀金铜合金 |
推荐真空线缆 | MT165-PTFE50同轴线 MT165-KAP50同轴线 MT165-KAPM系列
|
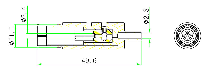
产品尺寸

【备注】其他单端连接器尺寸可能会根据馈通进行一定修改。
SHV连接器型号 |
类型 | 型号 |
SHVD真空端连接器 | MT145-CON-SHV-VAC |
SHV真空端连接器 | MT145-CON-SSHV-VAC |
SHVE真空端连接器 | MT145-CON-SSHVE-VAC |
SHV50真空端连接器 | MT145-CON-SSHV50-VAC |
SHV系列大气端连接器 | MT145-CON-SHV-AIR |
SHV真空端连接器+MT165-PTFE50同轴线缆型号 |
线缆两端 连接器数量 | 长度 | 单端SHV真空端连接器+线缆型号 | 单端SHVE真空端连接器+线缆型号 | 双端SHVD真空端连接器+线缆型号 |
1 | 500 mm | MT145-SSHV-FX-PTFE50-500-VAC | MT145-SSHVE-FX-PTFE50-500-VAC | MT145-SHV-FX-PTFE50-500-VAC |
1 | 1000 mm | MT145-SSHV-FX-PTFE50-1000-VAC | MT145-SSHVE-FX-PTFE50-1000-VAC | MT145-SHV-FX-PTFE50-1000-VAC |
2 | 500 mm | MT145-SSHV-FF-PTFE50-500-VAC | MT145-SSHVE-FF-PTFE50-500-VAC | MT145-SHV-FF-PTFE50-500-VAC |
2 | 1000 mm | MT145-SSHV-FF-PTFE50-1000-VAC | MT145-SSHVE-FF-PTFE50-1000-VAC | MT145-SHV-FF-PTFE50-1000-VAC |
| SHV真空端连接器+MT165-KAP50同轴线缆型号 |
线缆两端 连接器数量 | 长度 | 单端SHV真空端连接器+线缆型号 | 单端SHVE真空端连接器+线缆型号 | 双端SHVD真空端连接器+线缆型号 |
| 1 | 500 mm | MT145-SSHV-FX-KAP50-500-VAC | MT145-SSHVE-FX-KAP50-500-VAC | MT145-SHV-FX-KAP50-500-VAC |
| 1 | 1000 mm | MT145-SSHV-FX-KAP50-1000-VAC | MT145-SSHVE-FX-KAP50-1000-VAC | MT145-SHV-FX-KAP50-1000-VAC |
| 2 | 500 mm | MT145-SSHV-FF-KAP50-500-VAC | MT145-SSHVE-FF-KAP50-500-VAC | MT145-SHV-FF-KAP50-500-VAC |
| 2 | 1000 mm | MT145-SSHV-FF-KAP50-1000-VAC | MT145-SSHVE-FF-KAP50-1000-VAC | MT145-SHV-FF-KAP50-1000-VAC |
SHV大气端连接器+线缆型号 |
线缆两端连接器数量 | 长度 | 大气端连接器+线缆型号 |
1 | 500 mm | MT145-SHV-FX-500-AIR |
1 | 1000 mm | MT145-SHV-FX-1000-AIR |
2 | 500 mm | MT145-SHV-FF-500-AIR |
2 | 1000 mm | MT145-SHV-FF-1000-AIR |
【备注】
1. 线缆长度均可定制。
2. 单端SHV, SHVE, SHV50的真空接地型接头是不一样的。分别是MT145-CON-SSHV-VAC, MT145-CON-SSHVE-VAC, MT145-CON-SSHV50-VAC。
3. 对于单端SHV系列馈通,对应的线缆型号需要明确真空接地型接头型号:SSHV, SSHVE, SSHV50。