低功率馈通可选1/2/4/8针,馈通材质为不锈钢和陶瓷,电极可选钼、不锈钢、镍、铜及铜合金等多种材质,电极直径可选0.8mm和1.3mm。以电极材质为钼、电极直径为0.8mm为例,其最高电压为500VDC,最大电流为8A;以电极材质为铜、电极直径为1.3mm为例,其最高电压为2000VDC,最大电流为25A。由于馈通尺寸较小,适用于尺寸受限的应用场景,可兼容的最小尺寸法兰为CF16,可根据需求定制其他法兰馈通和导体材质组合,或选择可焊接版馈通。温度范围-200~450℃,极限真空<1E-10mbar。可选配馈通两端的连接器及线缆。
产品特征
低功率馈通。
多种材质可选,0.8mm以钼为主,1.3mm以铜为主介绍,其他材质可咨询客服。
尺寸小,适用尺寸受限的应用场景。
1/2/4/8单模块可选,最小兼容CF16。
可选配两端的连接器及线缆。
可根据需求定制法兰和馈通。
产品参数
规格参数 |
材质 | 不锈钢、陶瓷 |
导体材质 | 钼(Mo)、不锈钢(SS)、镍(Ni)、铜(Cu)、铜合金等 |
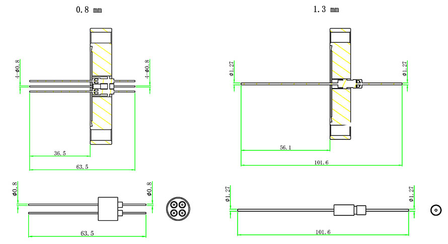
导体直径Ø | 0.8 mm,1.3mm |
最高电压 | 500V DC,2000V DC |
最大电流 | 25A |
温度范围 | -200℃~450℃ |
极限真空 | <1×10-10 mbar |
漏率 | <1×10-12 Pa·m3/s He |
产品尺寸

CF/KF法兰选型表 |
针数 | 导体 材质 | 导体 直径 (mm) | 电流(A) | 电压(V) | 焊接 尺寸 (mm) | CF16法兰 对应型号 | KF16法兰对应型号 |
1 | 钼(Mo) | 0.8 | 8 | 500 | 3.9 | MT150-08MO500-C16 | MT150-08MO500-K16 |
2 | 钼(Mo) | 0.8 | 8 | 500 | 12.6 | MT150-08MO500-2-C16 | MT150-08MO500-2-K16 |
4 | 钼(Mo) | 0.8 | 8 | 500 | 12.6 | MT150-08MO500-4-C16 | MT150-08MO500-4-K16 |
8 | 钼(Mo) | 0.8 | 8 | 500 | 19 | MT150-08MO500-8-C16 | MT150-08MO500-8-K16 |
1 | 铜(Cu) | 1.3 | 25 | 2000 | 6.3 | MT150-13CU1K-C16 | MT150-13CU1K-K16 |
2 | 铜(Cu) | 1.3 | 25 | 1000 | 12.6 | MT150-13CU1K-2-C16 | MT150-13CU1K-2-K16 |
4 | 铜(Cu) | 1.3 | 25 | 1000 | 12.6 | MT150-13CU1K-4-C16 | MT150-13CU1K-4-K16 |
8 | 铜(Cu) | 1.3 | 25 | 1000 | 19 | MT150-13CU1K-8-C16 | MT150-13CU1K-8-K16 |
备注:1. 0.8 mm直径的导体还可选用铜(Cu)、镍(Ni)、不锈钢(SS)、康铜做导体,最大电流分别为15A、4A、1A、2A。 2. 1.3 mm直径的导体还可选用不锈钢(SS)、可阀合金、镍(Ni)做导体,最大电流分别为1A、8A、8A。 3. 其他法兰和导体材质的组合请咨询客服。 |
焊接版选型表 |
针数 | 导体材质 | 导体直径 (mm) | 电流(A) | 电压(V) | 焊接尺寸(mm) | 型号 |
1 | 钼(Mo) | 0.8 | 8 | 500 | 3.9 | MT150-08MO500-WV |
2 | 钼(Mo) | 0.8 | 8 | 500 | 12.6 | MT150-08MO500-2-WV |
4 | 钼(Mo) | 0.8 | 8 | 500 | 12.6 | MT150-08MO500-4-WV |
8 | 钼(Mo) | 0.8 | 8 | 500 | 19 | MT150-08MO500-8-WV |
1 | 铜(Cu) | 0.8 | 15 | 500 | 3.9 | MT150-08CU500-WV |
2 | 铜(Cu) | 0.8 | 15 | 500 | 12.6 | MT150-08CU500-2-WV |
4 | 铜(Cu) | 0.8 | 15 | 500 | 12.6 | MT150-08CU500-4-WV |
1 | 不锈钢(SS) | 0.8 | 1 | 500 | 3.9 | MT150-08SS500-WV |
1 | 铜(Cu) | 1.3 | 25 | 2000 | 6.3 | MT150-13CU1K-WV |
2 | 铜(Cu) | 1.3 | 25 | 1000 | 19 | MT150-13CU1K-2-WV |
4 | 铜(Cu) | 1.3 | 25 | 1000 | 19 | MT150-13CU1K-4-WV |
8 | 铜(Cu) | 1.3 | 25 | 1000 | 19 | MT150-13CU1K-8-WV |
1 | 不锈钢(SS) | 1.3 | 1 | 2000 | 6.3 | MT150-13SS1K-WV |
2 | 不锈钢(SS) | 1.3 | 1 | 1000 | 19 | MT150-13SS1K-2-WV |
4 | 不锈钢(SS) | 1.3 | 1 | 1000 | 19 | MT150-13SS1K-4-WV |
1 | 镍(Ni) | 1.3 | 8 | 2000 | 6.3 | MT150-13NI1K-WV |
8 | 可伐合金(KO) | 1.3 | 8 | 1000 | 19 | MT150-13KO1K-8-WV |
相关配件 |
0.8mm直径馈通连接器 | MT160-PCRC-0.8 MT160-PISC-1.0 |
1.3mm直径馈通连接器 | MT160-PPOC-1.3 MT160-CRFC-1.3 MT160-PCRC-1.3 |
真空线缆 | MT165-KAPM系列 |